住家防盜系統
1. 8255-1規劃:
Control Port(&H203) = &H9B
Port A(&H200) : input
Port B(&H201) : input
Port C(&H202) : input


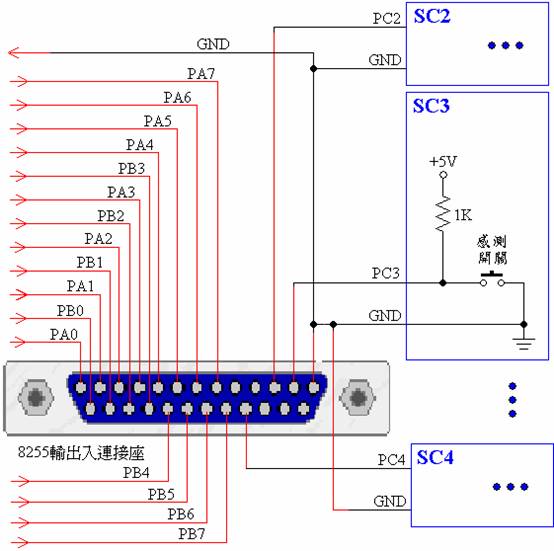
2. 電路接線圖:

系統配線圖(請注意:PA,PB,PC各腳皆應接一只1K拉升電阻至+5V)
3. 程式設計範例(以GW-BASIC為例) :
100 OUT &H203, &H9B //規劃8255-1
120 A = INP(&H200)
130 X = 255 – A
140 FOR I = 0 TO 7
150 X = X * 2
160 IF X < 256 THEN GOTO 190
170 N = 8 – I
180 PRINT “SWITCH NUMBER “; N;”IS TRIGGERED.”
184 BEEP
186 PRINT “DATE = “; DATE$
188 PRINT “TIME = “; TIME$
190 NEXT I
200 A = INP(&H201)
210 X = 255 – A
220 FOR I = 0 TO 7
230 X = X * 2
240 IF X < 256 THEN GOTO 270
250 N = 16 – I
260 PRINT “SWITCH NUMBER “; N;”IS TRIGGERED.”
264 BEEP
266 PRINT “DATE = “; DATE$
268 PRINT “TIME = “; TIME$
270 NEXT I
280 A = INP(&H202)
290 X = 255 – A
300 FOR I = 0 TO 7
310 X = X * 2
320 IF X < 256 THEN GOTO 350
330 N = 24 – I
340 PRINT “SWITCH NUMBER “; N;”IS TRIGGERED.”
344 BEEP
346 PRINT “DATE = “; DATE$
348 PRINT “TIME = “; TIME$
350 NEXT I
360 GOTO 120
370 END